3路一體式低壓互感器:LSY-10三相電流互感器
產品名稱:LSY-10三相一體組合式互感器
產品型號:LSY-10
產品代碼:LSY150075080


產品簡介: LSY型三相一體式電流互感器俗稱為3路一體式低壓互感器,適合安裝在環網開關柜和主柱上開關的三相套管上,用于三相電流和零序電流的測量和保護,也可用于多根電纜回路的零序電流的測量和保護。
技術參數
概述 LSY型三相一體式電流互感器適合安裝在環網開關柜和主柱上開關的三相套管上,用于三相電流和零序電流的測量和保護,也可用于多根電纜回路的零序電流的測量和保護。
該系列零序電流互感器的鐵芯和二次繞組采用優質環氧樹脂真空澆注在可阻燃的塑料殼體內,防潮濕,性能穩定,無需維護。
命名規則 產品代碼

技術參數 適用條件
額定二次電流 Rated secondary current: 5A or 1A 日平均溫度 Average temperature of day: ≤40℃
額定短時熱電流 Rated short-time thermal current: 40kA,1s 海拔高度 Altitude: ≤3000m
額定連續熱電流 Rated continuous thermal current: 120%In 污穢等級 Pollution class: III
工頻耐壓 Continuous power-frequency voltage: 3kV , 1min
儀表保安系數 Instrument security factor: FS≤10
接線原理圖
接線原理圖

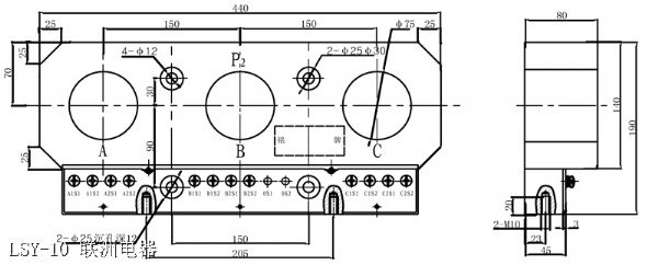
產品尺寸
| 型號 Type | 產品代碼 Product code | 規格尺寸 (mm) Size | 一次電流(A) Primary current | 重量(kg) Weight |
| LSY-10 | LSY105078080 | 105×80×φ78 | 20-600 | 5.1 |
| LSY107075065 | 107×65×φ75 | 20-600 | 4.5 | |
| LSY110076070 | 110×70×φ76 | 20-600 | 5.0 | |
| LSY110085040 | 110×40×φ85 | 20-600 | 3.1 | |
| LSY110085110 | 110×110×φ85 | 20-600 | 8.6 | |
| LSY110090070 | 110×70×φ90 | 20-600 | 5.2 | |
| LSY120083080 | 120×80×φ83 | 20-600 | 4.3 | |
| LSY135078080 | 135×80×φ78 | 20-600 | 11.2 | |
| LSY135083057 | 135×57×φ83 | 20-600 | 6.8 | |
| LSY135083075 | 135×75×φ83 | 20-600 | 9.6 | |
| LSY135110067 | 135×67×φ110 | 20-600 | 7.2 | |
| LSY135110085 | 135×85×φ110 | 20-600 | 9 | |
| LSY140090070 | 140×70×φ90 | 20-600 | 10.9 | |
| LSY150075080 | 150×80×φ75 | 20-600 | 10.6 | |
| LSY150078080 | 150×80×φ78 | 20-600 | 12.6 | |
| LSY205080075 | 205×75×φ80 | 20-600 | 11.8 | |
| LSY210100066 | 210×66×φ100 | 20-600 | 12.4 |
電流比、準確級及其額定負載如下所示:

外形尺寸圖
