控制與保護開關接線圖:基本電氣控制圖
上文中說到kbo控制與保護器是一種新型化時代的電氣產品,也許您會稍有些不認同,但它確實為電氣工程領域帶來了諸多改變,首先它節省了配電柜里面的空間,簡化了電氣接線圖,讓施工人員能更省時更省力地完成配電柜的安裝。

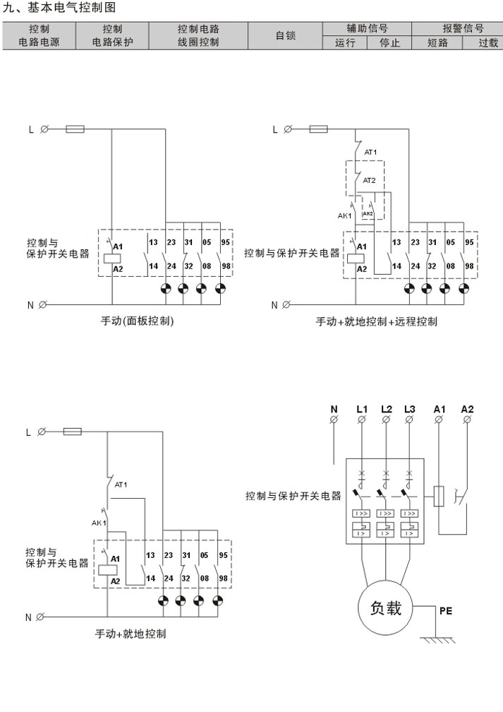
控制與保護開關接線圖其實并不難懂,仔細一看你會發現許多奇妙的設計理念在里面,下面我們一起來了解一下吧。
kbo控制與保護器電氣接線圖:

注:上圖中4組接線圖可能有的朋友還看不太明白,長方形虛線框里(A1 A2-95 98)是控制與保護開關的內部結構,您要做的就是按照需要接好端子上的控制線就行,其原理與交流接觸器的控制原理類似。
如果朋友您還沒看明白也歡迎您致電我公司或加微信咨詢相關問題。
更為詳細的產品使用手冊,包括和、型號定義、性能參數、參數設置方法、安裝尺寸等請點擊以下鏈接細讀:控制保護開關產品使用手冊。